化石燃料排放对环境的负面影响导致了比如干旱和降雨量改变等气候相关应战[1]。乡村和郊区数十亿人无法取得清洁和可持续的动力。世界各国签署了各种协议,以应对气候改变的影响。与燃烧时开释很多二氧化碳和其他温室气体的化石燃料不同,太阳能、风能、水能、地热能和生物质等可再生动力产生的排放简直不会导致全球变暖[2]。美国、印度、我国、爱尔兰、西班牙和乌拉圭在电力体系中完成了高份额的可再生动力发电[3]。在全球范围内,像爱尔兰、夏威夷、南澳大利亚和德克萨斯州这样的国家和地区能够在特定时期内满意当地需求[4]。这些高份额的可再生动力一方面带来了巨大的好处,但另一方面,它们也给安全稳定电网的运转带来了许多应战,如下所述。
电力体系稳定性是指体系在遭到扰动后应康复到初始状况[5]。发电和负荷之间需要恰当的平衡;否则,将会对体系的频率、电压以及有功和无功功率产生剧烈影响[6]。发电机和负荷经过电力电子变换器与电网解耦,这削弱了体系的这种才能[7]。具有高转动惯量的发电机为电力体系供给惯性支撑。另一方面,电力电子设备具有十分低或可忽略的惯量,这在负荷或发电机跳闸后导致电力体系坚持稳定的才能减弱[8]。
虚拟同步发电机(VSG)经过电力电子设备和操控算法模仿同步发电机的行为。这是经过操控逆变器的输出,使其模仿同步发电机的行为来完成的,例如坚持稳定的电压和频率。经过这样做,虚拟同步发电机能够向体系供给额定的惯性,帮助在呈现扰动时坚持电网的稳定性。虚拟同步发电机能够经过多种方式完成,例如运用下垂操控或虚拟阻抗操控。下垂操控涉及依照电网频率与其额定值之间的误差份额操控VSG输出的频率[9]。在低惯性体系中,过大的频率改变更为常见。为了战胜上述应战,惯性估量和惯性操控是必要的,以坚持电力体系的稳定性。该领域的现有文献作业如下所述。
预计将会产生高频率改变率(RoCoF)事情,其频率或许超过维护设备的约束。反过来,触发维护操控或许会导致连锁毛病,并或许导致大停电[10]。同步调相机和广域丈量设备的布置将为坚持电力体系的整体稳定性供给额定支撑[11]。为了防止体系崩溃,需要约束搅扰后RoCoF的添加,以便剩余的发电机不会跳闸[12]。储能体系的运用量添加改善了频率支撑。初始频率呼应能够来自超级电容器,并由任何电池储能体系(BESS)备份[13]。BESS的动态特性具有频率支撑才能,并能够供给可变的下降操控[14]。关于输电体系,已经开发了简化的一阶机电模型[15]。在任何搅扰产生时,RoCoF是一个目标,在电力体系的弹性和稳定性中发挥着重要作用[16]。
此外,运用插值离散傅里叶变换和卡尔曼滤波器来估量RoCoF和推迟[17]。同步发电机的数学模型被用来规划惯性仿真算法,而RoCoF的核算导致了复杂性[18]。为了保证电力体系的稳定性,有必要恰当选择可再生动力发电机和BESS。该模型运用混合整数线性编程中的CPLEX求解器在通用代数建模体系中开发。本参阅文献提出辅导对可再生动力发电机和储能体系的出资,以最小化CO2排放和体系成本[19]。[20]的作者提出了一个全局惯性频率呼应,运用战略放置相量丈量单元(PMU)。与传统模型比较,作者宣称所开发的模型的惯性更高[21]。能够经过转换器电压幅度运用解耦方案来独立调整有功功率[22]。
大多数文献描述了传统的下垂操控,这种操控对体系的阻尼和惯性奉献较小。此外,它们的首要关注点在于虚拟同步发电机操控和分布式体系。并且,现有作业并未强调惯性下垂操控。
因而,本作业提出了一种根据下垂特性的惯性模仿操控器,以减少RoCoF。还运用了储能设备,以观察其对所提出的惯性模仿操控器功能的影响。它添加了有功功率操控环路,为所考虑的输电体系网络供给动态呼应和电池储能。为了研究所提出操控器的有效性,运用了三个不同的测试体系,即IEEE 6节点、通用12节点和新英格兰39节点体系,并在DIgSILENT PowerFactory[24]软件中进行剖析,并与现有作业进行比较,发现它们比现有作业更好。
关于任何被认为正在运转的电力体系,在进行任何扰动之前,都倾向于经过潮流核算来查看网络中的初始功率平衡。潮流或负荷流量的剖析是必要的,以剖析从发电机到负载或剖析到体系中任何组件的功率流动。
YBUS的节点方程由[23]式(1)表明为:
(1)其间 \( I \) 是复数节点电流,\( Y_{\text{BUS}} \) 是复数节点导纳,\( U \) 是节点电压。
贮存的能量(动能)用于坚持频率和功率平衡,如方程(2)所示:
(2)其间 \( P_{\text{in}} \) 是原动机的机械功率,\( \delta_0(t) \) 是用弧度表明的功角,\( P_0 \) 是所考虑体系的负荷需求,\( H_s \) 是归一化到额定功率的惯性常数,单位为秒,\( \omega_s \) 是体系的频率(弧度/秒),\( D_s \) 是体系的阻尼系数。
发电机和电动机是旋转部件,并依照公式(3)存储动能。产生的动能贮存在机器的机械部分中。在突然搅扰或发电损失的情况下,机器开端减速,频率会下降。贮存的能量(动能)坚持频率和功率平衡。同步机的贮存动能(Eks)[5]由公式(3)给出:
(3)其间 \( J_s \) 是同步电机的转动惯量,\( \omega_s \) 是电机的转速。
经过求解方程(3)的导数得到惯性呼应,如下所示:
(4)体系惯性降低时,频率改变率添加。体系的极值频率十分低,导致连锁毛病:
(5)其间δ₀是转子的初始角值。
在剖析体系的惯性呼应时,首要的频率呼应关注于从其初始呼应到扰动施加到所考虑的电力体系时的频率最低点——当传统电源的惯性奉献减少时,频率的改变率会添加:
(6)其间 \( \omega_i \) 是发电机的转子速度,单位为弧度/秒。
从方程(5)和(6)能够看出,频率动态与所考虑体系的惯性成反比。当电力电子设备基源被添加到体系中时,会导致更大的复杂性,因而规划了一个仿真器来供给组成惯性。
方程(4)表明同步汽轮发电机运动,其动态表达式为:
(7)电力体系的惯性为:
(8)其间 \( H_i \) 是同步机惯量,\( f_{is} \) 是稳态初始频率,\( f_{ns} \) 是名义稳态频率,\( S_{ni} \) 是体系的额定功率输出。
由于电子设备的功率添加,体系惯性急剧减少,导致体系呈现很多振荡。从公式(6)和(9)能够看出,体系惯性与体系的频率改变率成反比:
(9)其间RoCoF是频率的改变率。
当常规发电机在体系中时,主频率操控会在30秒内处理频率误差,如公式(9)和(10)所示:
(10)其间Δf是频率的改变量,f0和fnr分别是实际和参阅的名义频率。
(11)其间 R 是下垂参数,Δf 是频率的改变量,ΔPG−L 是有功功率的改变量。在惯性模仿中运用图1中的频率操控器,可再生动力能够供给与传统化石燃料发电厂相同水平的稳定性。这有助于保证电力体系即便在可再生动力很多浸透的情况下也能坚持稳定和牢靠。

频率操控器。
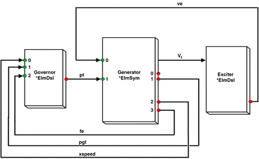
图2和图3是没有惯性操控器和运用DIgSILENT PowerFactory[24]的发电机的结构,其间ve是电压幅值,pt是汽轮机功率,Vt是发电机的终端电压,Ptref是发电机的有功功率参阅值,xspeed是发电机的同步速度,fe是电力体系的频率,pgt是有功功率。为了规划发电机结构,有必要知道组件的输入和输出参数。在编写相关方程时,结构内的输入和输出参数将根据指定的操控进行操作。

无惯性操控器的发电机结构。

带有惯性操控器的发电机结构。
其间SOC是荷电状况,SOCi